SVP-L & SVP-LB Overview

What is SVP-L & SVP-LB?

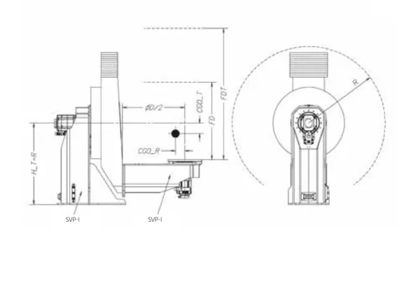
The SVP-L and SVP-LB are basic modular dual-axis positioners suitable for light and medium weight payloads. This 5-axis turn table type positioner comes with 4 fixture positions, making it ideal for various applications. The positioner is designed for rigidity, with a high-strength welded steel structure that ensures durability and stability during operation.

Moreover, the design of the SVP-L and SVP-LB positioners makes it possible to manufacture them at a low cost, enabling the company to offer a cost-effective solution to customers. State-of-the-art reduction gearboxes are used in the positioners, which ensure smooth and precise motion control.

The SVP-L and SVP-LB positioners can be equipped with fixed or sliding tailstock and offer several options to meet specific requirements. For instance, customers can choose an extra servo-controlled Z-stroke at the tilt axis or ground bushing with sliding copper blocks. The positioner can also come with fixed or sliding tailstock, a Z-stroke unit, swivel unit for air and signals, home/safe position sensor, servo motor integration, and even a special color of paint.

Overall, the SVP-L and SVP-LB positioners are versatile, reliable, and cost-effective solutions that offer high precision and smooth motion control. They are suitable for various applications and are designed to meet the unique needs of customers.

What applications is SVP-L & SVP-LB product best for?

The SVP-L and SVP-LB positioners are versatile and can be used in various applications. However, they are particularly suitable for applications that require precise and smooth motion control of light and medium weight payloads. The positioners can be used for welding, cutting, assembly, and inspection of parts, among other industrial applications. They are also suitable for research and development, particularly in the areas of robotics, automation, and material science. Additionally, the positioners can be customized to meet specific application requirements, making them an ideal choice for a range of industrial and research applications.

What are the specifications of SVP-L & SVP-LB?

Positioners Reviews

WRITE A REVIEW!
checkmark
  • Overall

    0/5 (0)

Write Review
No reviews yet, be the first to leave a review.

Top Rated SVP-L & SVP-LB Alternatives

See all SVP-L & SVP-LB Alternatives